2018年底,香港出台全球最壕的光伏上网电价补贴(FIT)计划。电力消费者可以安装不超过1兆瓦的光伏系统,目前有两个电力供应商:港灯电力投资公司,负责香港和南丫岛;中华电力有限公司,负责九龙、新界、长洲及大屿山。从2019年开始,到2033年结束,最多补贴15年。
目前采用全都上网的方式,度电补贴FIT费率为:系统低于10千瓦,补贴为5港币/千瓦时;大于10千瓦小于200千瓦,为4港币/千瓦时;大于200千瓦小于1兆瓦,为3港币/千瓦时。香港环境好,夏天不是很热,冬天没有雾霭,在光照条件较好的村屋,如果安装在没有遮挡的地方,平均每瓦每年能发1.1度电。系统方面,香港成本较高,要有直流配电箱,隔离变压器,交流配电柜等。人工成本相对也高,大约20-30港币每瓦,按平均价25港币计算,一个10kW系统,造价约25万港币,每年能发1.1万度电,电费约5.5万港币,不到5年就能收回成本,还有10年约有50万电费收入。光伏系统寿命30年,剩下的15年,自已使用,按每度电0.8元计算,还可节省12万的电费。

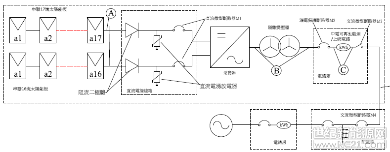
香港地区普通居民楼,如果安装光伏,目前最多只允许安装面积的50%,因此可用于建设光伏电站的面积不会很大,大部分电站的建设容量应该在10kW以下。以3kW到5kW最多。

目前香港估计共安装2000多户,通过验收约300多户,香港项目验收,需要香港本地的电力证,验收项目包括:绝缘电阻,谐波,直流分量,孤岛、频率,功率因素等参数。安装方自配设备仪器,测量每一个技术指标,在现场演示给验收方看。
目前香港地区验收标准是《小型可再生能源系统与电网接驳的技术设计指引》,和内地的并网标准稍有不同,主要测试内容有:

由上表可以看到,对于逆变器而言,中国香港和中国内地CQC标准几乎一致,只是当逆变器孤岛保护,电网正常后,逆变器并网时间,香港要求更长,要超过5分钟,另外,香港地区要求光伏系统对电网的冲击性很小,一是要加隔离变压器,以便消除直流分量注入电网的可能性。二是当光伏系统并入电网后,可能会导致电网电压上升,香港地区要求电压波动不超于1%。而内地则没有这个要求,早些年还有一个光伏容量不超过变压器容量25%的规定,可以限制电网电压过高,现在则取消了限额,新的标准还未出来,光伏装机过多的地方,运行时电网电压甚至会波动20%以上。

总结
香港补贴很高,但进度很慢,一方面是香港光伏普及不够,很多人还不太了解;另一方面是香港光伏系统比较复杂,要求高,很多安装商难以达到验收标准。还有一方面是港灯和中电公司熟悉光伏的人手不够,安装之后要排队申请验收,而且时间还比较长。
装机总容量也不会很大,而标准规定安装光伏后电网电压波动不超过1%,也限制了总体容量也不会很大。
所以在想进入香港光伏市场淘金,首先要熟悉香港的光伏系统法规要求,选用性能可靠的组件,逆变器等材料,争取验收一次性过关,再次就是在容量没有饱和之前,趁早安装。
免责声明:本平台仅供信息发布交流之途,请谨慎判断信息真伪。如遇虚假诈骗信息,请立即举报
举报